Mô tả sản phẩm
Bộ điều khiển FX1N-40MR-001
Thông số kỹ thuật Bộ điều khiển FX1N-40MR-001
FX1N-40MR-001 sử dụng nguồn cấp 220VAC do đó dễ dàng lắp đặt tại mọi nơi, ngoài ra còn tích hợp thêm ngõ ra 24VDC để cung cấp cho cảm biến hoặc một số nguồn DC không đòi hỏi công suất lớn.
PLC Mitsubishi FX1N-40MR-001 là dòng sản phẩm thuộc họ FX1N của hãng Mitsubishi tích hợp : 24 ngõ Input và 16 ngõ Output bằng Relay.
Ngõ ra sử dụng Relay để điều khiển các hoạt động của máy, thông thường Relay fx1n-40mr không đóng trực tiếp mà phải qua các Relay trung gian, tuy nhiên trong vài trường hợp tải có dòng nhỏ người dùng vẫn có thể sử dụng trực tiếp.
Mitsubishi fx1n-40mr-001 với số lượng vừa và nhỏ thích hợp cho những hệ thống vừa và nhỏ.
PLC fx1n-40mr vẫn được tích hợp với các hàm lệnh của dòng FX1N với số lượng thanh ghi chốt hơn 300.
Ngoài dòng PLC Mitsubishi fx1n-40mr-001 còn có PLC Mitsubishi fx1n-40mr-ES/UL tuy nhiên giá thành cao hơn, do đó tùy vào mục đích sử dụng mà người dùng chọn dòng nào.
Thông số kỹ thuật:
Input: 24
Output: 16
Power: 110-220VAC
Đồng hồ thời gian thực.
Bộ đếm tốc độ cao đến 60kHz.
Có thể mở rộng 14 đến 128 ngõ vào/ra.
Truyền thông RS232C, RS 485.
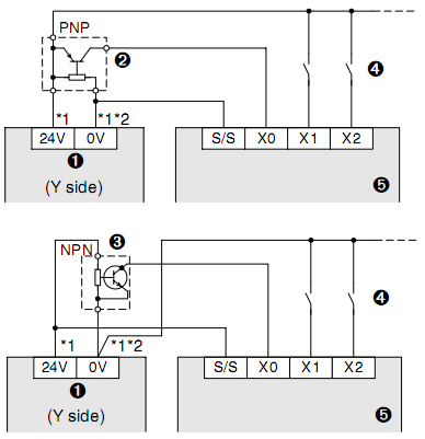
Sơ đồ đấu nối ngõ vào
- Sơ đồ đấu nối ngõ vào

Một số model cùng loại :
FX1N-40MR-001,FX1N-60MR-001,FX1N-40MT-001,FX1N-60MT-001,FX1N-40MR-ES/UL,FX1N-60MR-ES/UL,FX1S-30MR-ES/UL,FX1N-24MR-ES/UL,FX1N-24MR-001,FX1S-20MR-ES/UL,FX1N-14MR-ES/UL,FX1S-14MR-001.
PLC MITSUBISHI FX1S-10MT-001, PLC MITSUBISHI FX1S-10MT-001, FX1S-10MR-001, FX1S-10MT-001.
FX3G-14MR/ES-A, FX3G-14MT/ES-A, FX3G-14MT/ESS, FX3G-24MR/ES-A, FX3G-24MT/ES-A, FX3G-24MT/ESS, FX3G-40MR/ES-A, FX3G-40MT/ES-A, FX3G-40MT/ESS, FX3G-60MR/ES-A, FX3G-60MT/ES-A, FX3G-60MT/ESS, FX3G-14MR/DS, FX3G-14MT/DS, FX3G-14MT/DSS, FX3G-24MR/DS, FX3G-24MT/DS, FX3G-24MT/DSS, FX3G-40MR/DS, FX3G-40MT/DS, FX3G-40MT/DSS, FX3G-60MR/DS, FX3G-60MT/DS, FX3G-60MT/DSS
FX3GA-14MR-CM, FX3GA- 14MT-CM, FX3GA-24MR -CM, FX3GA-24MT-CM, FX3GA-40MR-CM, FX3GA-40MT-CM, FX3GA-60MR-CM, FX3GA-60MT-CM
FX2N-16MR-ES/UL, FX2N-16MT -ESS/UL, FX2N-32MR-ES/UL, FX2N-32MT-ESS/UL, FX2N-48MR-ES/UL, FX2N-48MT-ESS/UL, FX2N-64MR-ES/UL, FX2N-64MT-ESS/UL, FX2N-80MR-ES/UL, FX2N-80MT-ESS/UL, FX2N-128MR-ES/UL.




Đánh giá
Chưa có đánh giá nào.